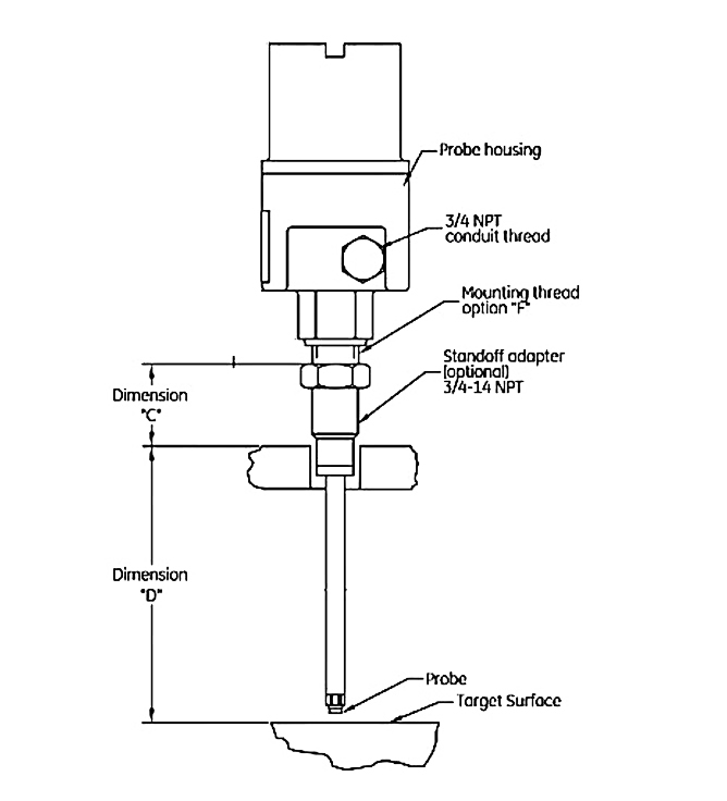
هوزینگ پراب YB/21000,YB/24701 ساخت کشور ایران و متعلق به شرکت یکان (Yekan) میباشد. Probe Housing در واقع غلاف پراب محسوب میگردد. از وظایف هوزینگ پراب سری YB/21000,YB/24701 میتوان به محافظت از پراب در برابر شرایط محیطی، ایجاد شرایط نصب آسان، تعویض یا تعمیر راحت و تراز بودن موقعیت ویبریشن سنسور جابهجایی اشاره کرد. جنس بدنه هوزینگ سری YB/21000 از آلومینیوم ولی مدل YB/24701 از متریال استیل ضد زنگ میباشد. نمایی از نحوه نصب و ساختار هوزینگ YB/21000,YB/24701 در شکل پایین نمایش داده شده است.

از مزایای YB/21000,YB/24701 میتوان به طراحی محکم، مقاومت در برابر مواد شیمیایی، قابلیت استفاده در محیطهای خشن، داشتن فضای کافی و انعطافپذیر جهت نصب Probe اشاره داشت.مدل YB/24701 از نظر وزن نسبت به سری YB/21000 سنگینتر میباشد و جهت استفاده در شرایط کاری سخت توصیه میگردد.



