تولید ملی

پراب 8 میلی‌متر یکان جایگزین سری 3300XL بنتلی نوادا Yekan Proximity Probe YB/3300XL 8mm

در دسته بندی سنسور اندازه گیری جابه‌جایی لرزش
مشاهده بیشتر
ویژگی های محصول:
  • نوع کمیت:

    جابه‌جایی ارتعاش

  • نوع پراب:

    8mm

  • طول پراب:

    0.5، 1، 2، 5 و 9 متری

  • کشور سازنده:

    ایران

توضیح کوتاه:

پراب‌های مجاورتی سری YB/3300XL ساخت شرکت یکان (Yekan) ایران بوده که جهت جایگزینی پراب‌های مدل جدید برند بنتلی نوادا (Bently Nevada) تولید می‌شوند. Probe‌های این سری از نوع 0.5، 1، 2، 5 و 9 متری می‌باشد. پراب‌های مجاورتی YB/3300XL 8mm در محدوده دمایی منفی 52 درجه سانتی گراد تا 177 درجه سانتی گراد کار می‌کنند.

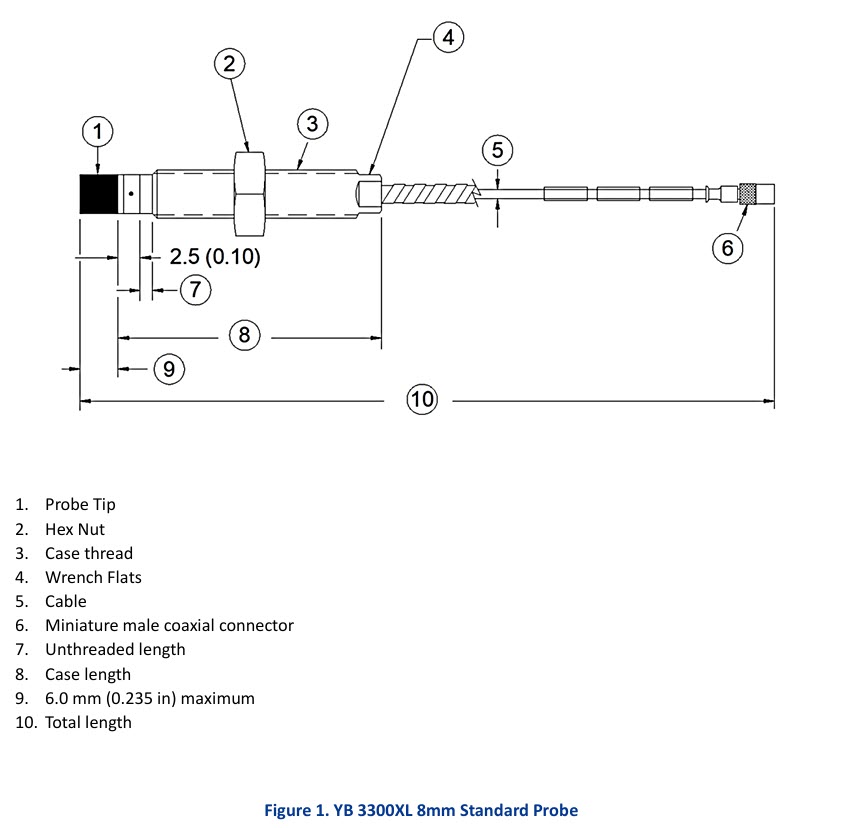
پراب‌های سری YB/3300XL ساخت کشور ایران و متعلق به شرکت یکان (Yekan) می‌باشد.پراب‌های این سری جایگزین تخصصی برای سری 3300XL بنتلی نوادا (Bently Nevada) بوده که می‌توانید پارت دقیق را از دیتاشیت آن یافته و سفارش خرید آن را بدهید. پراب مجاورتی (Proximity Probe) یکی از اجزای تشکیل دهنده سیستم پراکسیمیتی (سیستم سنسور جا‌به‌جایی) می‌باشد. نمایی از پراب‌های standard و Reverse سری YB/3300XL 8mm در شکل پایین نمایش داده شده است.

IM5 پراب 8 میلی‌متر یکان جایگزین سری 3300XL بنتلی نوادا Yekan Proximity Probe YB 3300XL 8mm IM6 پراب 8 میلی‌متر یکان جایگزین سری 3300XL بنتلی نوادا Yekan Proximity Probe YB 3300XL 8mm

Probeهای سری YB/3300 8mm از نوع 8mm محسوب می‌شوند. نوک ادی کارنت پراکسیمیتی پراب (ٍEddy Current Proximity Probe) از coil تشکیل شده و وظیفه تغذیه آن بر عهده ترانسدیوسر (Transducer) می‌باشد. به محض اینکه تغذیه به سیم‌پیچ اعمال گردد، در اطراف Tip ویبریشن پراب (Vibration Probe) یک میدان مغناطیسی پدید می‌آید حال با توجه به موقعیت تارگت، میدان مغناطیسی تضعیف یا تقویت شده و متناظر با آن در خروجی ترانسدیوسر یک  ولتاژ تولید خواهد شد. جهت کسب اطلاعات بیشتر به مقالات آموزشی مراجعه گردد. شرکت یکان پراب‌های سری YB/3300XL 8mm را با طول‌های 0.5، 1، 2، 5 و 9 متری بدون آرمور و آرموردار روانه بازار کرده است.متریال بدنه پراب و بخش آرمور نیز  از جنس stainless steel می‌باشد. Armor حفاظت بیشتری را در برابر ضربه و مواد شیمیایی ایجاد می‌کند. پراب‌های سری YB/3300XL 8mm یکان قابلیت اتصال به کابل واسط و ترنسدیوسر سری 3300XL بنتلی نوادا را داشته و کامل منطبق با آنها کار می‌کنند. اطلاعات مربوط به پراب استاندارد سری YB/3300XL 8mm در جدول ذیل نمایش داده شده است.

IM2 پراب 8 میلی‌متر یکان جایگزین سری 3300XL بنتلی نوادا Yekan Proximity Probe YB 3300XL 8mm

 

  • نوع کمیت

    جابه‌جایی ارتعاش

  • نوع پراب

    8mm

  • طول پراب

    0.5، 1، 2، 5 و 9 متری

  • کشور سازنده

    ایران

  • Mount

    Standard/Reverse

  • نوع تجهیز

    سنسور اندازه‌گیری جا‌به‌جایی لرزش

  • برند

    Yekan

شرکت یکان
ارتباط با ما